Honda GX, GC, GP - это профессиональные бензиновые моторы Honda общего назначения, разработанные специально для длительной бесперебойной работы в особо тяжёлых условиях. Серия GX, GC, GP Хонда - одно- и двухцилиндровые двигатели Honda с горизонтальным валом отбора мощности, идеально работают в составе дорожно-строительной техники - минитракторов, катков, нарезчиков швов асфальта (швонарезчики), виброплит, вибротрамбовщиков, машин дорожной разметки, сельскохозяйственной техники - минитракторов, миникомбайнов, мотоблоков, мотокультиваторов, поливочных мотопомп, строительной техники, деревообрабатывающего оборудования - автономных лесопилок, пилорам, спасательной техники и мототехники для георазведки - снегоходов, болотоходов, вездеходов, мотобуксировщиков, электоргенерирующей техники - бензогенераторы и электростанции, насосной техники - насосы высокого давления, мотопомпы и другого промышленного оборудования.
Компактные и высокопроизводительные двигатели Honda серии GX, GC, GP являются одними из самых популярных в мире. Этими моторами комплектуется профессиональная техника, работающая в сложных условиях. Двигатели разрабатывались для бесперебойной работы под высокими нагрузками. При производстве используются комплектующие с увеличенным ресурсом, что позволяет рассчитывать на длительный срок службы техники. Среди преимуществ двигателей Хонда серии GX, GC, GP – низкий уровень шума и вибрации, высокая топливная эффективность, большое соотношение мощности к объему.
Моторы серии GX, GC, GP имеют горизонтальную ориентацию вала, верхнее расположение клапанов, отличаются небольшим весом и компактной архитектурой. Они используются для комплектации профессиональной техники:
Двигатели полностью расходуют бензин, что снижает уровень выброса вредных веществ до минимума. Простая конструкция упрощает обслуживание моторов, замену расходных материалов, что делает расходы на плановые работы минимальными.
Полный перечень моторов Honda GX серии:
|
Модель |
Объем, куб. см |
Мощность макс., лс / кВт (3600 об./мин) |
Расположение вала |
Вес, кг |
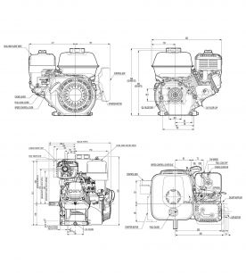
Габариты, мм |
|
160 |
4.9 / 3.4 |
горизонтально |
11.5 |
337 x 369 x 331 |
|
|
160 |
4.8 / 3.6 |
горизонтально |
15.1 |
314 x 363 x 335 |
|
|
200 |
5.8 / 4.1 |
горизонтально |
16.1 |
323 x 378 x 335 |
|
|
100 |
2.8 / 2.1 |
горизонтально |
10.6 |
287 x 304 x 418 |
|
|
118 |
3.5 / 2.8 |
горизонтально |
13.0 |
305 x 341 x 318 |
|
|
118 |
3.6 / 2.7 |
горизонтально |
10.4 |
259 x 294 x 290 |
|
|
163 |
4.8 / 3.6 |
горизонтально |
15.0 |
312 x 362 x 335 |
|
|
196 |
5.5 / 4.1 |
горизонтально |
16.0 |
313 x 376 x 335 |
|
|
270 |
8.0 / 6.0 |
горизонтально |
25.0 |
380 x 430 x 410 |
|
|
389 |
10.7 / 8.0 |
горизонтально |
31.7 |
406 x 460 x 448 |
|
|
389 |
11.0 / 8.2 |
горизонтально |
31.0 |
405 x 450 x 443 |
|
|
688 |
20.8 / 15.5 |
горизонтально |
44.4 |
405 x 410 x 438 |
|
|
688 |
22.1 / 16.5 |
горизонтально |
44.6 |
429 x 410 x 438 |
Особенности и преимущества двигателей Honda GX серии:
- Самая высокая мощность по литражу
- Профессиональная конструкция для тяжелых условий работы
- Наибольшее отношение мощности к рабочему объему двигателя
- Все компоненты разработаны для длительного использования и высоконадёжны
- Самое низкое потребление топлива в своей категории
- Уникальная технология Honda
- Экологичность

Размеры и внешний вид моторов Honda GX по достоинству оценены профессионалами и рядовыми потребителями. Моторы Хонды GX серии с верхним расположением клапанов (OHV) и верхним распределительным валом (OHC) имеют высокую эффективность сгорания топлива, в результате чего потребление горючего и масла у этих двигателей минимальны. За счёт оригинальной конструкции (OHC) и (OHV) двигатели GX Honda - более компактные и легкие, чем любые другие двигатели такого класса.
Бензиновые двигатели Хонда GX соответствуют строгим требованиям по выбросам выхлопных газов.
Расшифровка модификаций двигателей Honda
НА ПРИМЕРЕ ДВИГАТЕЛЯ GX 160 U T1 - QXE4 - OH
GX (V) 160 U T1 - QXE4 - OH
GX : Горизонтальный выходной вал отбора мощности;
GXV : Вертикальный выходной вал отбора мощности;
GX/GXV : OHV или OHC двигатели – для профессионально использования;
GC/GCV : OHC двигатели – для бытового использования.
GX 160 U T1 - QXE4 – OH
Объем двигателя см3
GX 160 U T1 - QXE4 - OH
U : Универсальный тип для Европы, Сша, Канады и Австралии;
T1 : Идентификация незначительна (заводская).
GX 160 U T1 - QXE4 – OH
Тип выходного вала отбора мощности:
Q : Прямой, imperial (дюймы);
S : Прямой, метрический (мм);
W : Наружная (внешняя) резьба;
V : Конический;
H : 1/6 редуктор;
R : 1/2 редуктор + сцепление;
L : 1/2 редуктор.
Следующие две цифры в MTOC (Manual Type Option Colour - Описание типов, опций, цвета.) могут быть индивидуализированы и не связаны с систематическим кодированием.
GX 160 U T1 – QXE4 - OH
X : Датчик масла
H : Датчик масла отсутствует, также как и система отключения при низком уровне масла.
GX 160 U T1 - QXE4 - OH
E : Электрический стартер;
M : Масляный воздушный фильтр;
C : Циклонный воздушный фильтр.
GX 160 U T1 - QXE4 - OH
4 : Европейская спецификация;
2 : Американская спецификация.
GX 160 U T1 - QXE4 - ОH
Код цвета:
OH : (R8) – Красный;
SD : (NH1) – Черный.
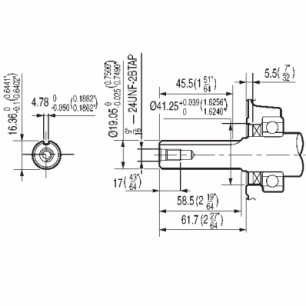
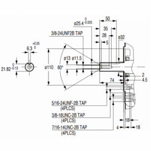
Диаметры валов двигателей Honda серии GX.
Метрические валы (присутствует буква S в обозначении двигателя)
GX120 -18 мм;
GX160-GX200 -20 мм;
GX270-GX390-25 мм;
Дюймовые валы (присутствует буква Q в обозначении двигателя).
GX120-GX160-19.05 мм
GX270-GX390-25.4 мм