-
+

Mini 4

GX

GXV

GC

GCV

GP

Двигатель бензиновый HONDA GX390 SMC1

Артикул: GX390T2SMC1OH
Наличие товара: Товар есть в наличии
138 170 р.
-
+
Отправить заявку ✆ 8 (800) 55-11-709

Описание Двигатель бензиновый HONDA GX390 SMC1

Бензиновый двигатель Honda GX 390 является одним из самых популярных в модельном ряду компании. Несмотря на компактные размеры, он способен вырабатывать 13 л.с. при 3 600 об/мин. Вес двигателя всего 31 кг, он имеет компактную архитектуру и идеально подходит под требования производителей профессиональной техники. Мотор устанавливают на электрогенераторы, мотопомпы, мини-тракторы, используют в качестве приводов промышленного и сельскохозяйственного оборудования.
 


Характеристики двигателя
 

Оснащение: Без датчика уровня масла, осветительная катушка DC12V25W
 

Тип двигателя:

4-тактный верхнеклапанный бензиновый двигатель GX390 SMC1 (OHV) с системой воздушного охлаждения, цилиндром, расположенным под углом 25гр., и горизонтальным коленвалом

Количество и расположение цилиндров:

1 наклонн.

Тип гильзы цилиндра:

Чугунная гильза

Расположение вала:

Горизонтальное

   Тип вала:

   Цилиндр

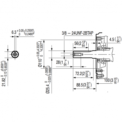
   Диаметр вала:

   25 мм

   Длина вала:

   63 мм

Максимальная мощность, л.с. / кВт - об/мин:

11.7 л.с. ( 8.7 кВт ) - 3600 об/мин

Номинальная мощность, кВт / л.с. - об/мин:

6.4 кBт ( 8.6 л.c. ) - 3000 об/мин

Объем двигателя, см3:

389

Частота вращения вала двигателя, об/мин:

3000

Максимальный крутящий момент, Нм/кгм/ об/мин:

26.5 Нм / 2.7 кгм - 2500 об/мин

Диаметр цилиндра х ход поршня, мм:

88 x 64

Степень сжатия:

8.2 : 1

Система охлаждения:

Принудительная воздушная

Система зажигания:

Электронное зажигание с изменяемым углом опережения

Система запуска:

Ручной стартер

Направление вращения вала двигателя:

Против часовой стрелки

Топливо:

Бензин АИ-92

Объем топливного бака, л:

6,1

Расход топлива, л/ч:

3.5 л/час - 3600 об/мин

Система смазки:

Разбрызгиванием

Ёмкость масляного картера, л:

1.1

Рекомендуемое масло:

SAE 10W-30

Габаритные размеры, мм:

406x460x448

Масса, кг:

31,7

Характеристики Двигатель бензиновый HONDA GX390 SMC1

Глушитель

Есть

Датчик уровня масла

Есть

Диаметр вала

25 мм - цилиндрический

Длина вала, мм

63

Зарядная катушка

Нет

Макс. крутящий момент, Нм

26,5

Модель двигателя:

GX390

Мощность, л.с.

11,7

Объем двигателя, куб.см

389

Применение

Генераторы

Применение

Водяной насос

Применение

Газонокосилка

Применение

Мойки высокого давления

Применение

Мотоблоки / Культиваторы

Применение

Машины малой механизации

Применение

Промышленное оборудование

Применение

Сельскохозяйственная техника

Расположение вала

горизонтальное

Редуктор

без редуктора

Тип запуска

Ручной

Топливный бак

Есть

Условия доставки

Вариант : Самовывоз

Вариант : Доставка по Москве

Доставка производится в пределах МКАД

Вариант : Стоимость доставки до терминала транспортной компании в г.Москва

Доставка осуществляется до терминала транспортной компании. Межтерминальную перевозку оплачивает сам покупатель.

WhatsApp